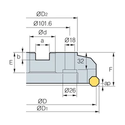
Leírás és Paraméterek
| Csatlakozás típusa | Feltűzhető |
| Lapka típus | OF☐☐ 0704 |
| Élszám | 16 |
| Max. fogásmélység (ap) | 04,8 |
| Csatlakozási méret Ød | 60 |
Vélemények
Erről a termékről még nem érkezett vélemény.
Írja meg véleményét!
