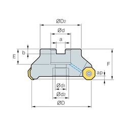
Leírás és Paraméterek
| Csatlakozás típusa | Feltűzhető |
| Lapka típus | ON☐☐ 0806 |
| Élszám | 6 |
| Max. fogásmélység (ap) | 05,5 |
| Csatlakozási méret Ød | 27 |
Vélemények
Erről a termékről még nem érkezett vélemény.
Írja meg véleményét!
